Mitsubishi Heavy Industries Air Conditioning FDC140VNX-W FDUM140VH Ducted Ceiling Concealed 14Kw/48000Btu R32 A 1 Phase 220-240V, 50Hz Hyper Inverter
This Kit Includes:
1 x Mitsubishi Heavy Industries Air Conditioning FDUM140VH Ducted Ceiling Concealed R32 14Kw/48000Btu A+
1 x Mitsubishi Heavy Industries Air Conditioning FDC140VNX-W 14Kw/48000Btu A+ R32 Outdoor Unit Hyper Inverter 1 Phase 220-240V, 50Hz
1 x Mitsubishi Heavy Industries Air Conditioning Eco Touch RC-EX3A Wired Remote Controller 2 wire PAC
1 x Mitsubishi Heavy Industries Air Conditioning UM-FL1/2/3EF Return Air Filter
Ducted Heat Pumps for Commercial & Residential Applications. Ideal for concealed cooling, multiple area applications or irregular shaped rooms. FDUM Ducted units are of robust construction, and are fitted with large diameter fans for optimum air volume, whilst maintaining low sound levels. Condensate Pump included. Return plenums with filters available as a option for easy installation. Plenum outlets and inlets 200mm. Duct design was simplified. Using DC motor, the most optimum air flow volume can be achieved by this automatic control. Indoor unit will recognise external static pressure by itself automatically and keep rated air flow volume.
Superior Controls Specification: There has never been a multi function controller with the advanced sophistication of the new Mitsubishi RC-EX1A. It combines all the basic user requirements - temperature setting, fan speed selection, mode, and timer settings, with a comprehensive range of service data functions, inverter compressor speed indication, fault diagnosis, and operational history.
FDUM Key Product Features:
7-Day Programmable Timer
• Two on/off settings each day
• Different temperature for each set period
• External timer/8MS switching for Group (up to 16 units)
• Wall Controller - hard wired
• Integral temperature sensor
• Condensate Lift Pump included
• Low ambient control included
• Auto re-start after power interruption
• Compatible with Multi Systems
FDUM Technical Specification:
INDOOR UNIT
PART NUMBER |
FDUM140VH |
HARD WIRED CONTROLLER
PART NUMBER |
RC-EX3A |
OUTDOOR UNIT
PART NUMBER |
FDC140VNX-W |
| UK Cooling |
13.21 |
| UK Sensible Cooling (Nominal) |
10.60 |
| Cooling Range (Nominal) |
5.0 to 16.0 |
| S.E.E.R, EER, Energy Label |
5.79, 3.32, N/A |
| Heating Range (Nominal) |
2.7 to 18.00 |
| S.C.O.P, COP, Energy Label |
3.99, 3.88, N/A |
| INDOOR UNIT |
INDOOR UNIT |
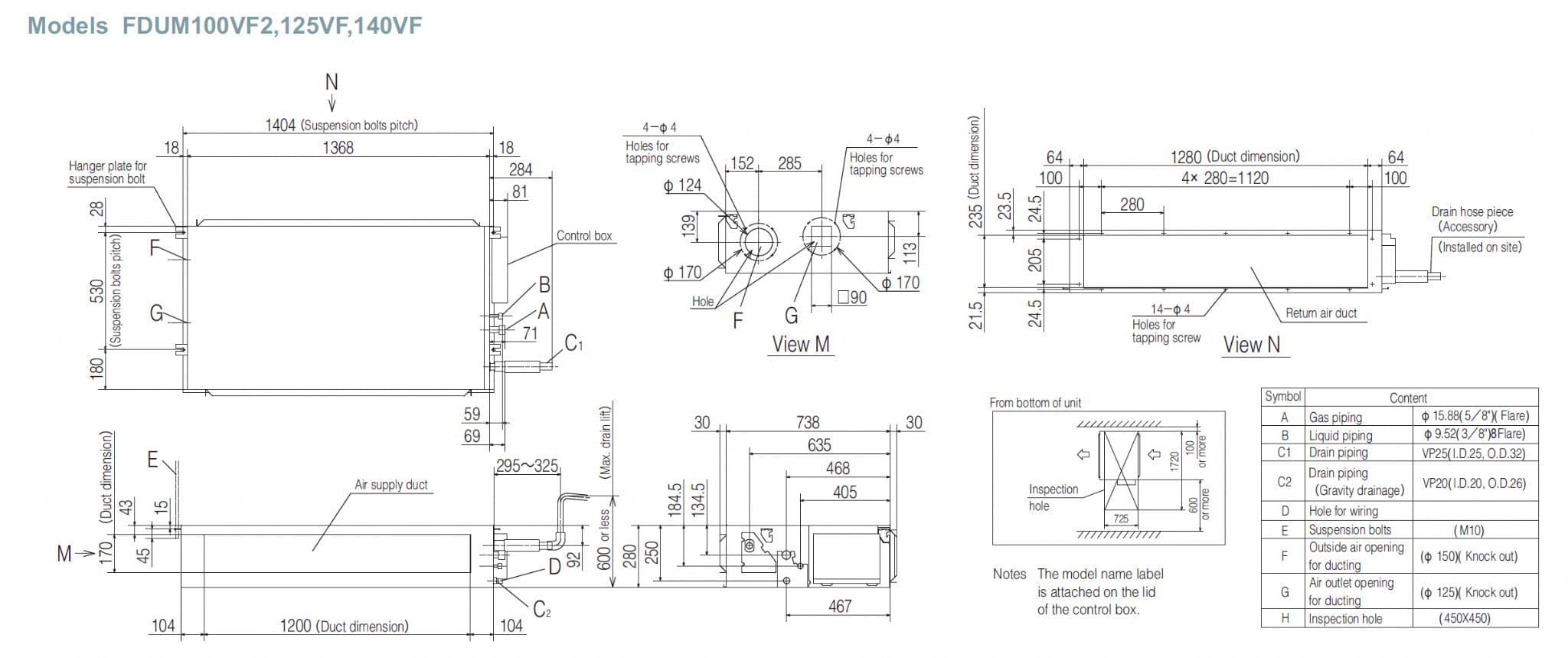
| Exterior Dimensions (H x W x D)* |
280 x 1,370 x 740 |
| Net Weight |
54 |
| Air Flow (H/M/L) Cooling |
35 / 28 / 22 |
| Air Flow (H/M/L) Heating |
35 / 28 / 22 |
| Sound Pressure Level (H/M/L) Cooling |
40 / 35 / 30 |
| Sound Pressure Level (H/M/L) Heating |
40 / 35 / 30 |
| OUTDOOR UNIT |
OUTDOOR UNIT |
| Exterior Dimensions (H x W x D) |
1300x970x370 |
| Net Weight |
97 |
| Sound Pressure Level Cooling/Heating |
69 / 71 |
| ELECTRICAL DATA |
ELECTRICAL DATA |
| Power Source Rating MCB |
32 |
| Mains Power To |
230V/1ph/50Hz |
| Interconnecting Wires (Dia) |
3+E (1.5) |
| Start Current / Max Running Current |
5 / 30 |
| INSTALLATION/REFRIGERANT |
INSTALLATION/REFRIGERANT |
| Ref. Piping Size o.d.ins (mm) |
3/8 |
| 5/8 |
| Ref. Min Piping Length |
3* |
| Ref. Max Piping Length |
100 |
Vertical Height Difference (Max)
*Outdoor Unit Above/Below Indoor Unit |
50/15 |
| Refrigerant Amount Pre-charged (kg/TCO2Eq) |
4/2.700 |
| * For Pipe Length Up To |
30 |
| Additional Refrigerant |
54 |
Accessories for FDUM-VH Units:
|
PRODUCT NO.
|
PRODUCT DESCRIPTION
|
|
RCN-KIT4-E
|
IR Remote Control & Receiver Kit
|
|
LB-KIT
|
Motion Sensor (USE RCEX3A
Controller)
|
|
RCE5
|
Wired Controller
|
|
RCEX3A
|
Eco Touch Controller
|
|
RCH-E3
|
Simplified Controller
|
|
PCZ006A043
|
6 Wire Adaptor
|
|
INMBSM- HI001R000
|
Modbus Interface - 1 Indoor Unit
|
|
INKNXM- HI001R000
|
KNX Interface - 1 Indoor Unit
|
|
SC-ADNA-E
|
Superlink Adaptor
|
|
IHWFIM- HI001R000
|
Intensis Home WIFI Interface MHI Hard Wired
|
|
AZA16WSCMHI
|
Airzone Aido WiFi
|
|
SC-THB-E3
|
Remote Sensor 8m
|
|
SSA42A024
|
Elbow for condensing drain kit (1 required)
|
|
SSA947089
|
Gromet for condensing drain kit (4 required)
|
|
UM-FL1EF
|
Filter Kit FDUM40-50
|
|
UM-FL2EF
|
Filter Kit FDUM60-71
|
|
UM-FL3EF
|
Filter Kit FDUM100-140
|
|
ZRS/FDUM56VF
(2 x 200mm Spigots)
|
Return Plenum & Filter Kit FDUM40-50VF
|
|
ZRS/FDUM90F
(3 x 200mm Spigots)
|
Return Plenum & Filter Kit FDUM60-71VF
|
|
ZRS/FDUM160F
(4 x 200mm Spigots)
|
Return Plenum & Filter Kit FDUM100-140VF
|
|
ZDS/FDUM56F
(2 x 200mm Spigots)
|
Discharge Plenum Kit FDUM40-50VF
|
|
ZDS/FDUM90F
(3 x 200mm Spigots)
|
Discharge Plenum Kit FDUM60-71VF
|
|
ZDS/FDUM160F
(4 x 200mm Spigots)
|
Discharge Plenum Kit FDUM110-140VF
|
|
PS/03
|
Washable Filter for 624511 Kit
|
|
PS/04
|
Washable Filter for 624516 Kit
|
|
PS/05
|
Washable Filter for 624520 Kit
|
|
NFP10/04
|
Disposable Filter for 624511 Kit
|
|
NFP10/06
|
Disposable Filter for 624516 Kit
|
|
NFP10/09
|
Disposable Filter for 624520 Kit
|
PDF Data:

These air conditioning units must be installed by an F-Gas qualified engineer. We can install the unit for you using our F-Gas Certified Engineers. Please note if you do not select our installation service we will not ship the unit until we have obtained evidence from you that you will have the unit installed by an F-Gas qualified engineer. This is a requirement of the Article 11 (5) EC/517/2014 on fluorinated greenhouse gases and The Fluorinated Greenhouse Gases Regulations 2015.