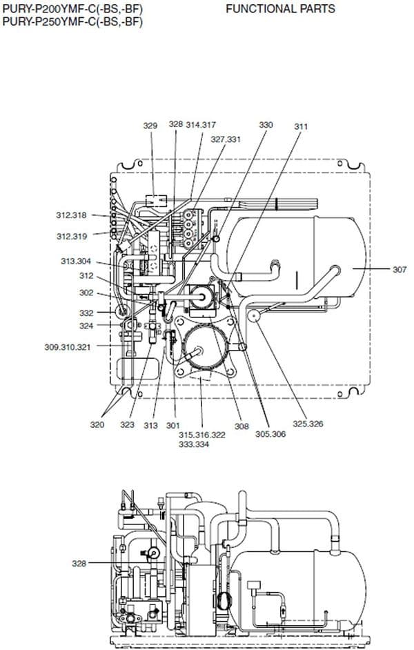
Mitsubishi Electric Air Conditioning Compressor Spare Parts Home / Air Conditioning / Air Conditioning And Refrigeration Spare Parts / Mitsubishi Electric Air Conditioning Spare Parts / Mitsubishi Electric Air Conditioning Compressor Spare Parts / Mitsubishi Electric Air Conditioning Spare R69023478 208702 COMPRESSOR ENB52FA-YE PUHY-P ENB52FA-YE Mitsubishi Electric Air Conditioning Spare R69023478 208702 COMPRESSOR ENB52FA-YE PUHY-P ENB52FA-YE Mitsubishi Electric Air Conditioning Spare R69023478 208702 COMPRESSOR ENB52FA-YE PUHY-P ENB52FA-YE £2,388.07 £1,990.06 (ex. VAT) Stock Status: In Stock Information Reviews Mitsubishi Electric Air Conditioning Spare R69023478 208702 COMPRESSOR ENB52FA-YE PUHY-P ENB52FA-YE. Genuine Mitsubishi Electric Air Conditioning Spare part. PUHY-P200/250YMF-B/C PURY-P200/250YMF-B/C Parts on this drawing 316: NO. PART NO. SAP NO. PART NAME SPECIFICATIONS REMARKS WIRE 301 R63Y06208 191462 PRESSURE SWITCH <G> <416598> ACB-1TB 10W<63H> P426258X02 302 R63331288 190339 PRESSURE SENSOR CMBP101V <G> P419110X01 303 R63006403 213000 4-WAY VALVE PURY-P500YGM-A <G> KB00F029G03 304 R63002242 217147 4-WAY VALVE COIL PQRY W875295G05 305 R63435232 190341 SOLENOID VALVE PQRY <G> NEV-202DXF 400<SV1,4,6> 500<SV1,3,4,6> P631807X02 306 R63Y04243 190187 COIL <G> PUHY-P200YMF-C NEV 400<SV1,4,6> 500<SV1,2,3,4,6> P631205X01 310 R61E91494 85113 PIPE ASSY W619465G05 PUH-10-YE W619465G05 311 R63Y07425 415676 Capillary tube 1.2X3-1000 W883531G01 312 R63670202 190166 THERMISTOR CMB-1010VE MDW103H P425496X01 313 R63671202 190201 THERMISTOR PURY <G> <TH1> P425439X01 314 R63F14200 190309 THERMISTOR PQRY <G> <TH2> P425565X01 315 R63375200 190165 THERMISTOR PUHYP400YMFB <TH2> P425438X01 316 R66963478 190202 COMPRESSOR HEV92FA1YB PURY <G> HEV92FA1-YB,<MC> EP10013G08 317 R63A42287 224429 Sensor cover EVA(6.35D) P227170X01 318 R61A45287 85063 Sensor cover (EVA)12.7D P227171X01 319 R63G03287 194753 Sensor cover EVA(9.52D) P227223X01 320 R63F14413 219581 Check joint P639131X01 321 R61F14514 85125 GASKET PUH-10-YE T/# 1991-NF P321009X01 322 R61Y08262 85236 BELT HEATER PUHY200-25 240V 45W,(CH) P493642X02 323 R63Y02410 202862 BALL VALVE PQRY-P200-YMF-B <G> 3/4 P636224X01 324 R61F14411 132665 BALL VAL 1 FLANGE PUHYP250YMFC 1flange P636298X01 325 R63G48401 191163 LEV <G> PUHY-P200YMF-C DKV-18D124 P632342X01 326 R63A45402 224430 Linear expansion valve coil <SLEV> P472016X01 327 R63Y01232 204826 SOLENOID VALVE PURY-P200-Y <G> SR10DB P631230X01 328 R63F14418 193851 CHECK VALVE PUHY-P200-YMF- <G> P639130X01 329 R63L85425 201229 CAPILLARY TUBE PURY-P-YEM- <G> 0.8X2.4X2000 W888053G01 330 R63G35288 204825 PRESSURE SENSOR PQRY-P200- <G> (63LS) P419129X01 331 R63Y06243 192823 SOLENOID VALVE COIL PURY-P <G> SR10DB(SV3~6) P631231X01 332 R61M43405 151950 DRYER SERVICE SET PURY-P250 W894128G02 333 R63Y01850 224841 Insulator W628447H02 334 R63Y02850 223322 Insulator W861746H02 Not yet reviewed Write an online review and share your thoughts with other shoppers! Be the first to review this product Related Products Mitsubishi Electric Air Conditioning Spare Part 190166 R63670202 THERMISTOR Probe £52.55 £43.79 (ex. VAT) Mitsubishi Electric Air Conditioning Spare Part 7263606 THERMISTOR Probe 220759 £109.13 £90.94 (ex. VAT) Mitsubishi Electric Air Conditioning Spare Part 194466 Filters Pair For PKFY-1P32VGM-E £491.19 £409.33 (ex. VAT) Mitsubishi Electric Air Conditioning Spare Part 207939 POWER BOARD For PUHZ-RP60/71VHA3 £409.32 £341.10 (ex. VAT) Mitsubishi Electric Air Conditioning Spare Part E02200452 CONTROL PCB For MSH09NVIIE1 £218.26 £181.88 (ex. VAT) Mitsubishi Spare Part AANB33FCTMT SCI COMPRESSOR INVERTER SCROLL ROTARY R410A 415V~50Hz £1,414.29 £1,178.58 (ex. VAT) Mitsubishi Spare Part ANB33FCNMT SCI COMPRESSOR INVERTER SCROLL ROTARY R410A 415V~50Hz £1,414.29 £1,178.58 (ex. VAT)