Mitsubishi Electric Air Conditioning Spare R61060200 218873 THERMISTOR PWFY-P-VM-E <G>. Genuine Mitsubishi Electric Air Conditioning Spare part.

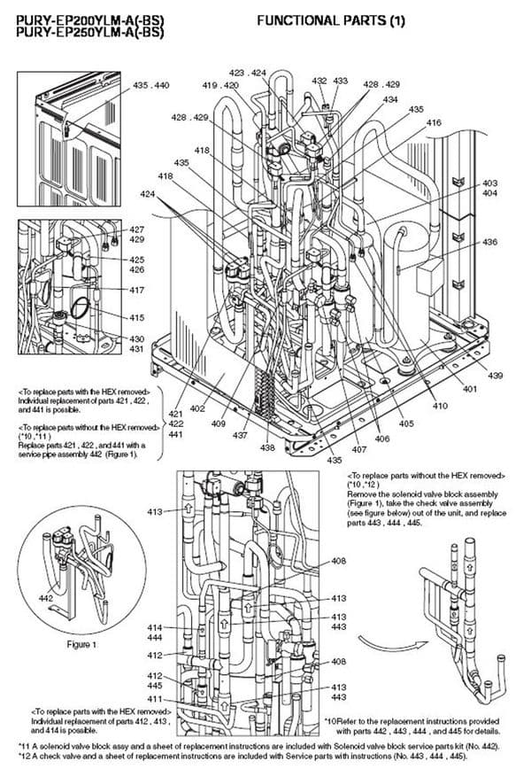
PART NO. 430 ON DRAWING
Other parts on this drawing:
| NO. |
PART NO. |
SAP NO. |
PART NAME |
SPECIFICATIONS |
REMARKS |
| 401 |
R69103478 |
267138 |
COMP ENB62FB-YE(S) <414443> |
ENB62FB-YE |
|
| 402 |
R61880480 |
282778 |
HEAT EXCHANGER <G> |
S |
|
| 403 |
R61079484 |
240880 |
ACCUMULATOR ASSY <G> |
|
|
| 404 |
R61080484 |
248201 |
Accumulator assy |
BS |
|
| 405 |
R61044487 |
283864 |
OIL SEPARATOR ASSY <G> |
|
|
| 406 |
R61009410 |
237741 |
BALL VALVE <G> |
SBV-JA10YGME-3, JA10YGME 4.15MPA D25 |
<(LP)BV1,BV3> |
| 407 |
R63007538 |
211495 |
VALVE PURY-PYHMA <G><416556> |
VSAMH8SSCM-LA1 D25.4 |
<(HP)BV2> |
| 408 |
R61008454 |
235196 |
STRAINER <G> |
25.4D |
<ST1,ST8> |
| 409 |
R63A42454 |
235914 |
STRAINER <G> |
9.52 |
<ST18> |
| 410 |
R61004413 |
283830 |
CHECK JOINT <G> |
R410A |
<(HP)CJ1,(LP)CJ2> |
| 411 |
R61013418 |
280243 |
- CHECK VALVE BLOCK |
ZYBV R410A |
<CV2a> |
| 412 |
R61019418 |
282047 |
CHECK VALVE <G> |
UCV-A1507DQ4 |
<CV3a,CV9a> |
| 413 |
R61002418 |
229916 |
CHECK VALVE <307156> |
YBV22 R410A 4.15MPA CV13 |
<CV4a,CV5a,CV7a,CV8a> |
| 414 |
R61005418 |
277402 |
CHECK VALVE <G> |
YAV R410A CV3.5 |
<CV6a> |
| 415 |
R63002425 |
209313 |
CAPILLARY PUHY-(E)P-YHM-A <G> |
|
<CP1> |
| 416 |
R61008425 |
211496 |
Capillary tube assy |
|
<CP2> |
| 417 |
R61022425 |
283859 |
Capillary tube assy |
|
<CP3> |
| 418 |
R61013425 |
235490 |
CAPILLARY TUBE ASSY <G> |
|
<CP4,CP5> |
| 419 |
R61013403 |
282001 |
4 WAY VALVE <G> |
STF-07 |
<21S4a> |
| 420 |
R61009242 |
282002 |
4 WAY VALVE COIL <G> |
STF-01 220-240V |
<21S4a> |
| 421 |
R61038232 |
229918 |
SOLENOID VALVE BLOCK |
3SV |
|
| 422 |
R636A7235 |
190172 |
SOLENOID VALVE ACS PQHYP |
ACS METAL D32 ACS-BPMD-8 |
<SV4a,SV4b,SV4d> |
| 423 |
R63Y07232 |
208713 |
SOLENOID VALVE PUHY-(E)P200-45 |
ATS-A R410A |
<SV9> |
| 424 |
R63Y18243 |
190181 |
SOLENOID VALVE COIL PQHYP |
220-240V L2000 |
<SV4a,SV4b,SV4d,SV9> |
| 425 |
R63046232 |
282003 |
SOLENOID VALVE <G> |
FDF2A77 SV CV0.07 |
<SV1a> |
| 426 |
R63032243 |
282004 |
SOLENOID COIL <G> |
FQG625 240V L1500 |
<SV1a> |
| 427 |
R63027232 |
211419 |
SOLENOID VALVE PURY-PYHM-A <G> |
VPV-L202D |
<SV5b> |
| 428 |
R63001921 |
229920 |
SOLENOID VALVE |
VPV-603DQ3 |
<SV7,SV10,SV11> |
| 429 |
R61015243 |
282045 |
SOLENOID COIL <G> |
VPV Y2 AC220V-240V 50HZ |
<SV5b,SV7,SV10,SV11> |
| 430 |
R61036401 |
235200 |
LEV<G><317663> |
CV 20TON(PAM) |
<LEV5a> |
| 431 |
R61030243 |
282046 |
SOLENOID VALVE COIL <G> |
PAM WHITE L2000 |
<LEV5a> |
| 432 |
R63Y11208 |
192882 |
PRESS. SWITCH <291823><292507&g |
ACB1UB28W |
<63H1> |
| 433 |
R63049288 |
268334 |
HP SENSOR <G> |
HP |
<63HS1> |
| 434 |
R63050288 |
268365 |
LP SENSOR <G> |
LP |
<63LS> |
| 435 |
R61060200 |
218873 |
THERMISTOR PWFY-P-VM-E <G> |
150-522-96001 |
<TH3,TH5,TH7,TH9> |
| 436 |
R63911202 |
193795 |
THERMISTOR PQRY-P200-YMF-B <G> |
|
<TH4> |
| 437 |
R63800202 |
279838 |
THERMISTOR |
|
<TH6> |
| 438 |
R63172200 |
267829 |
Thermistor <G> |
8D-2500L R0/15KOhm B0/3465K |
<TH11> |
| 439 |
R63852860 |
209320 |
RUBBER MOUNT PUHY-PYHM-A <G> |
|
|
| 440 |
R61001310 |
214816 |
SENSOR HOLDER <G> |
|
|
| 441 |
R636A7245 |
194751 |
FASTEN PART SOLENOID VALVE <G> |
|
|
| 442 |
R61065232 |
283867 |
SV block service parts kit |
|
*11 |
| 443 |
R61026418 |
282799 |
CHECK VALVE 1 <G> |
(with instructions) |
*12 <CV4a,CV8a> |
| 444 |
R61027418 |
282800 |
CHECK VALVE 2 <G> |
(with instructions) |
*12 <CV6a> |
| 445 |
R61028418 |
282801 |
CHECK VALVE 3 <G> |
(with instructions) |
*12 <CV9a> |