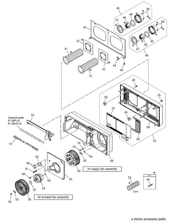
Mitsubishi Electric Air Conditioning Mechanical Spare Parts Home / Air Conditioning / Air Conditioning And Refrigeration Spare Parts / Mitsubishi Electric Air Conditioning Spare Parts / Mitsubishi Electric Air Conditioning Mechanical Spare Parts / Mitsubishi Electric Air Conditioning Spare Part VL-100U5 Y36004723 270645 LOSSNAY CORE Mitsubishi Electric Air Conditioning Spare Part VL-100U5 Y36004723 270645 LOSSNAY CORE Mitsubishi Electric Air Conditioning Spare Part VL-100U5 Y36004723 270645 LOSSNAY CORE £161.23 £134.36 (ex. VAT) Stock Status: In Stock Switching: Pull Cord VFC External Switching (Field Supply) Information Reviews Mitsubishi Electric Air Conditioning Spare Part VL-100U5 Y36004723 270645 LOSSNAY CORE. Genuine Mitsubishi Electric Air Conditioning Spare Part. PART 2 ON DRAWING NO. PART NO. SAP NO. PART NAME 1 Y36004721 287342 Front panel 2 Y36004723 270645 LOSSNAY CORE <G> 3 Y36004722 287341 CORE HANDLE <G> 4 Y36004709 287351 Cover 5 Y36004707 287352 Front casing 6 H00000333 88820 PTT screw 4x14 7 M32013027 287369 PTT screw 4x10 8 Y36004717 270651 FILTER <G> 9 Y36004711 287349 Lamp cover 10 Y36004290 287353 Neon lamp 11 Y36004710 287350 TB case cover 12 H00000349 88821 PT screw 4x8 13 Y36004708 310035 TB case 14 K83170228 88858 Cord band 15 K82181240 287370 Crimp cap 16 M35855223 287363 Cord clamper 17 M35830223 309376 Cord clamper 18 H00011008 88827 PT screw 4x8 (BS) 19 H00056075 88831 Spring washer(4) 20 H00000487 88824 PTT screw 4x8 21 X31981223 310021 Cord clip 22 D40094227 287375 Cord clip 23 Y36004280 287354 Fuse 24 H00000676 287372 P P T screw 3x10 25 Y55001281 287324 Fuse holder 26 M45649226 258692 Cord bush 27 Y36004712 310036 TB fix plate 28 H00000471 309349 PPT screw 4x10 29 Y36004255 295779 - SWITCH 30 M34279201 309368 Insulator sheet 31 M35768653 287364 Capacitor case 32 M34203283 270646 Capacitor 33 M35275652 287365 Capacitor cover 34 Y81016284 270647 Capacitor 35 Y36004220 310034 Power cord PDF Data Sheet: Not yet reviewed Write an online review and share your thoughts with other shoppers! Be the first to review this product Related Products Mitsubishi Electric Air Conditioning MELCOBEMS MINI Splits Modbus/ BACnet BEMS Interface £207.81 £173.18 (ex. VAT) Olympus JetFlow OLYC30/110 Ventilator And Extractor Fan 300mm 12" 3600m3/hr 110V~50Hz £180.92 £150.77 (ex. VAT) Olympus JetHeat OLY-J3/1 Industrial Electric Fan Heater with Thermostat 3Kw/12000Btu 240V~50Hz £90.00 £75.00 (ex. VAT) (2) Olympus JetHeat OLY-J15/3 Industrial Electric Fan Heater with Thermostat 15kW/50000Btu 415V~50Hz £230.00 £191.67 (ex. VAT) Mitsubishi Electric Air Conditioning MELCOBEMS AE-200E Modbus BACnet Interface £2,881.58 £2,401.32 (ex. VAT) Mitsubishi Electric Air Conditioning LGH-100RX5-E Lossnay Ducted Heat Exchange 1000M3/hr 240V~50Hz £3,139.09 £2,615.91 (ex. VAT) Olympus JetFlow OLYCEX30/110 Explosion Proof Extractor & Ventilator Fan 12" 300mm 110V~50Hz £386.63 £322.19 (ex. VAT) Lg Air Conditioning Eco V Heat Recovery Ventilator LZ-H025GBA4 Air Exchange Unit 250M3/hr 240~50Hz £1,564.78 £1,303.98 (ex. VAT) Mitsubishi Electric Air Conditioning 316805 MAC-587IF-E MELCLOUD WiFi Connection Interface £144.22 £120.18 (ex. VAT)