Mitsubishi Electric Air Conditioning Spare Ecodan R01E50221 216806 FAN MOTOR PUHZ-HW140VHA, PUHZ-HW140VHA2, PUHZ-HW140VHA-BS, PUHZ-HW140VHA2-BS, PUHZ-HW140VHA2R1-BS Genuine Mitsubishi Electric Air Conditioning Spare part.

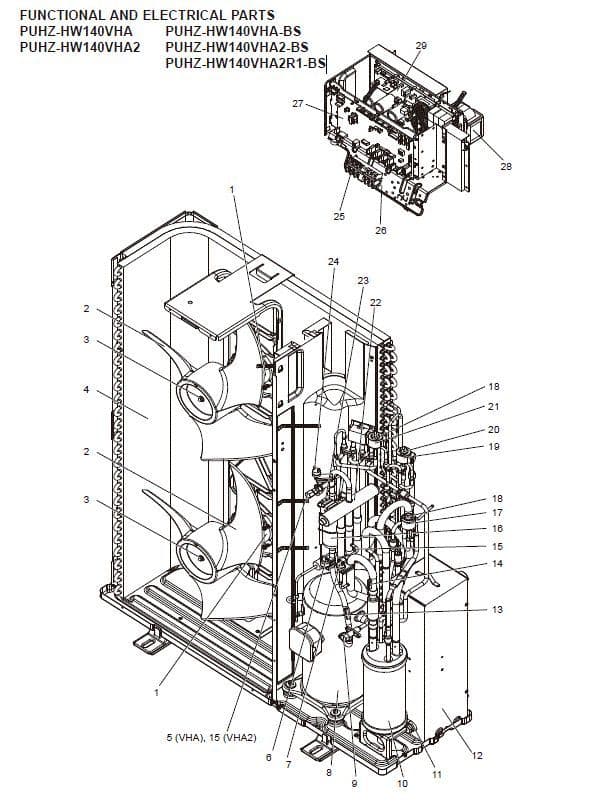
PART NO. 1 ON DRAWING
SERVICE MANUAL:

Other parts on this drawing:
| 1 |
R01E50221 |
216806 |
FAN MOTOR <G> <325654> |
|
|
MF1, 2 |
| 2 |
R01E12115 |
234309 |
PROPELLER FAN PUHZ RP <G> |
|
|
|
| 3 |
R01E09097 |
191536 |
NUT<G>PUHZ-RP14<226021><3 |
|
|
|
| 4 |
T7WE63408 |
234015 |
HEAT EXCHANGER <G> |
|
|
|
| 6 |
R01E07208 |
200670 |
HP SENSOR MXZ-8A140<G><409264&g |
|
|
63HS |
| 7 |
R01E00209 |
194025 |
LOW PRESSURE SWITCH<409262> |
|
|
63L |
| 8 |
T97415780 |
234017 |
COMPRESSOR ANB42FJGMT <G> |
ANB42FJGMT |
With RUBBER MOUNTS |
MC |
| 9 |
R01E10411 |
194556 |
STOP VALVE PUHZ-RP* <G> |
01-Apr |
|
|
| 10 |
R01E61440 |
239909 |
ACCUMULATOR/RECEIVER <G> |
|
|
|
| 11 |
R01H78202 |
268593 |
THERMISTOR |
Inlet Water |
|
TH32 |
| 12 |
R01H24408 |
249006 |
PLATE HEAT EXCHANGER <G> |
|
|
|
| 13 |
R01E22201 |
218942 |
THERMISTOR <G> <494703> |
|
|
TH4 |
| 14 |
R01H79202 |
247266 |
THERMISTOR <G> |
Suction |
|
TH33 |
| 15 |
R01E24413 |
215950 |
CHARGE PLUG <H> |
|
|
|
| 17 |
R01E49242 |
191505 |
LEVCOIL <G> PUHZ-RP140YHA2 |
UKV type |
Connector RED |
LEV-B |
| 18 |
T7WE27401 |
241848 |
LEV <G> |
|
Coil LEV-A, B |
|
| 19 |
R01E68242 |
210209 |
LEV COIL <G> |
|
Connector BLUE |
LEV-C |
| 20 |
R01H22401 |
210205 |
LEV <G> |
|
Coil LEV-C |
|
| 21 |
R01E50242 |
191506 |
LEVCOIL <G> PUHZ-RP140YHA2 |
|
Connector WHITE |
LEV-A |
| 22 |
R01E15403 |
222135 |
4 WAY VALVE <244829> |
|
|
|
| 23 |
T7WE41242 |
210211 |
SOLENOID COIL <G> |
|
|
21S4 |
| 24 |
R01E06208 |
191533 |
HIGH PRESSURE <G> PUHZ-RP140YH |
OFF 4.14MPa |
|
63H |
| 25 |
T7WE61716 |
277674 |
- TERMINAL BLOCK |
6P (L, N, PE, S1, S2, S3) |
|
TB1 |
| 26 |
ZD#BK00C681G32 |
|
ELECTRICAL PARTS BOX |
|
BK00C681G32 |
|
| 27 |
T7WE88315 |
234596 |
CONTROL <234596> <313576> |
|
|
C.B. |
| 28 |
T7WE18259 |
216809 |
REACTOR <281996> |
|
|
DCL |
| 29 |
R01A50353 |
272625 |
POWER BOARD <406088> |
|
|
P.B. |
| 30 |
R01H00202 |
191508 |
THERMISTOR <G> PUHZ-RP<476818&g |
|
|
TH3 |
| 31 |
R01H99202 |
274808 |
THERMISTOR <G> |
Plate HEX Liquid, Ambient |
|
TH6/7 |
| 32 |
R01E20254 |
191459 |
CAPACITOR <G> PUHZ RP |
|
|
CB |
| 33 |
R01E14239 |
225798 |
FUSE <H> |
6.3A 250V |
|
F1,2,3,4 |
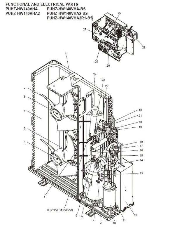
Parts for PUHZ-HW140VHA2R3 model
| Part On Drawing |
Part Number |
Sap Code |
Specification |
|
Notes |
Wire |
| 1 |
R01E50221 |
216806 |
FAN MOTOR <G> <325654> |
|
|
MF1,2 |
| 2 |
R01E12115 |
234309 |
PROPELLER FAN PUHZ RP <G> |
|
|
|
| 3 |
R01E09097 |
191536 |
NUT<G>PUHZ-RP14<226021><3 |
|
|
|
| 4 |
T7WE67408 |
261147 |
HEAT EXCHANGER <G> <409719> |
|
|
|
| 5 |
R01E07208 |
200670 |
HP SENSOR MXZ-8A140<G><409264&g |
|
|
63HS |
| 6 |
R01E22201 |
218942 |
THERMISTOR <G> <494703> |
|
|
TH4 |
| 7 |
T97418077 |
257682 |
COMPRESSOR ANB42FJKMT <471683> |
ANB42FJKMT |
with RUBBER MOUNTS |
MC |
| 8 |
R01E10411 |
194556 |
STOP VALVE PUHZ-RP* <G> |
01-Apr |
|
|
| 9 |
R01E61440 |
239909 |
ACCUMULATOR/RECEIVER <G> |
|
|
|
| 10 |
R01H85202 |
248822 |
THERMISTOR <G> |
|
|
TH32 |
| 11 |
R01H24408 |
249006 |
PLATE HEAT EXCHANGER <G> |
MWA2-46LM |
|
|
| 12 |
R01H90202 |
257264 |
THERMISTOR <G> |
|
|
TH34 |
| 13 |
R01H79202 |
247266 |
THERMISTOR <G> |
|
|
TH33 |
| 14 |
R01E24413 |
215950 |
CHARGE PLUG <H> |
|
|
|
| 15 |
R01E00209 |
194025 |
LOW PRESSURE SWITCH<409262> |
|
|
63L |
| 16 |
R01H08242 |
257255 |
LEV COIL <G> |
|
Connector RED |
LEV-B |
| 17 |
T7WE27401 |
241848 |
LEV <G> |
|
Coil LEV-A,B |
|
| 18 |
T7WE41242 |
210211 |
SOLENOID COIL <G> |
|
|
21S4 |
| 19 |
R01E15403 |
222135 |
4 WAY VALVE <244829> |
|
|
|
| 20 |
R01H10242 |
257257 |
LEV COIL <G> |
|
Connector BLUE |
LEV-C |
| 21 |
R01H22401 |
210205 |
LEV <G> |
|
Coil LEV-C |
|
| 22 |
R01H09242 |
257256 |
LEV COIL <G> |
|
Connector WHITE |
LEV-A |
| 23 |
R01E06208 |
191533 |
HIGH PRESSURE <G> PUHZ-RP140YH |
OFF 4.14MPa |
|
63H |
| 24 |
ZD#BK00C681G32 |
|
ELECTRICAL PARTS BOX |
|
BK00C681G32 |
|
| 25 |
T7WE18259 |
216809 |
REACTOR <281996> |
|
|
DCL |
| 26 |
T7WE77313 |
257270 |
POWER BOARD <272625> |
|
|
P.B. |
| 27 |
T7WF15315 |
257681 |
CONTROL BOARD <G><281997> |
|
|
C.B. |
| 28 |
T7WE61716 |
277674 |
- TERMINAL BLOCK |
6P (L, N, PE, S1, S2, S3) |
|
TB1 |
| 29 |
R01H00202 |
191508 |
THERMISTOR <G> PUHZ-RP<476818&g |
|
|
TH3 |
| 30 |
R01H99202 |
274808 |
THERMISTOR <G> |
Plate HEX Liquid, Ambient |
|
TH6/7 |
| 31 |
R01E20254 |
191459 |
CAPACITOR <G> PUHZ RP |
|
|
CB |
| 32 |
R01E14239 |
225798 |
FUSE <H> |
6.3A 250V |
|
F1, 2, 3, 4 |